Upozornenie
V dôsledku odlišných národných predpisov nemožno túto kapitolu použiť pre Nemecko a Švajčiarsko. Pre ďalšie informácie kontaktujte, prosím, technické oddelenia príslušných krajín!
Upevnenie pomocou pevných a posuvných príponiek sa vykonáva podľa statických požiadaviek. Národné normy a odborné predpisy môžu obsahovať odlišné požiadavky, ktoré je potrebné zohľadniť. V nasledujúcich tabuľkách nájdete údaje o minimálnom počte príponiek [ks/m²] v závislosti od kategórie terénu, výšky budovy a základnej rýchlosti vetra.
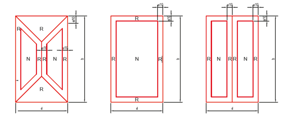
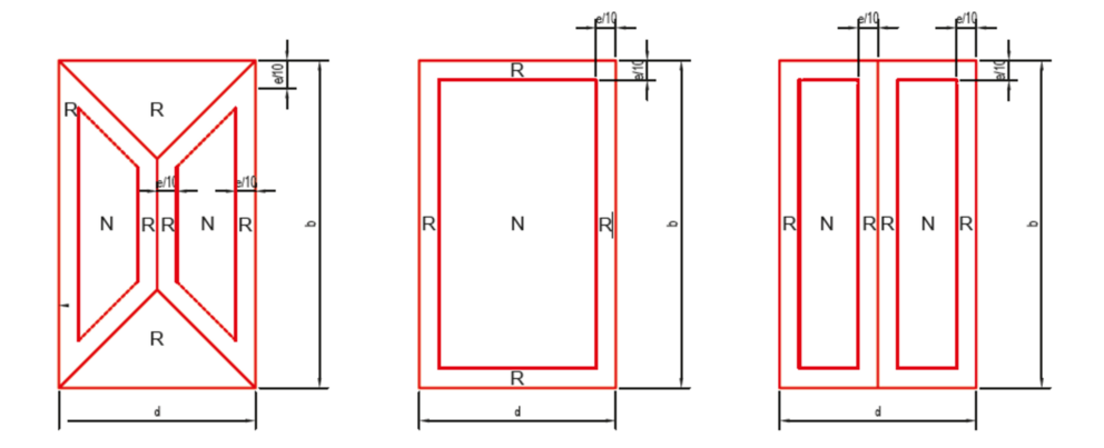
Uvedené minimálne počty príponiek zohľadňujú súčiniteľ bezpečnosti 1,35 a sú pochopené ako teoreticky stanovené hodnoty. R = okrajová časť (súčiniteľ vonkajšieho tlaku cpe = –2,9), N = normálna časť (súčiniteľ vonkajšieho tlaku = –1,3).
Kategória územia II
Tlak pri základnej rýchlosti vetra [kN/m²] |
Základná rýchlosť vetra[m/sek] |
Výška budovy <15 [m] |
Výška budovy 15 – 30 [m] |
Výška budovy 30 – 50 [m] |
N | R [ks/m²] |
N | R [ks/m²] |
N | R [ks/m²] |
||
≤ 0,32 |
≤ 22,5 |
3,7 | 8,2 |
4,3 | 9,7 |
4,9 | 10,9 |
≤ 0,39 |
≤ 25,0 |
4,5 | 10,0 |
5,3 | 11,8 |
6,0 | 13,3 |
≤ 0,47 |
≤ 27,5 |
5,4 | 12,0 |
6,4 | 14,2 |
7,2 | 16,1 |
≤ 0,56 |
≤ 30,0 |
6,4 | 14,3 |
7,6 | 16,9 |
8,6 | 19,1 |
Kategória územia III
Tlak pri základnej rýchlosti vetra [kN/m²] |
Základná rýchlosť vetra[m/sek] |
Výška budovy <15 [m] |
Výška budovy 15 – 30 [m] |
Výška budovy 30 – 50 [m] |
N | R [ks/m²] |
N | R [ks/m²] |
N | R [ks/m²] |
||
≤ 0,32 |
≤ 22,5 |
3,1 | 7,0 |
3,8 | 8,5 |
4,4 | 9,9 |
≤ 0,39 |
≤ 25,0 |
3,8 | 8,5 |
4,7 | 10,4 |
5,4 | 12,0 |
≤ 0,47 |
≤ 27,5 |
4,6 | 10,2 |
5,6 | 12,5 |
6,5 | 14,5 |
≤ 0,56 |
≤ 30,0 |
5,5 | 12,2 |
6,7 | 14,9 |
7,7 | 17,3 |
Kategória územia IV
Tlak pri základnej rýchlosti vetra [kN/m²] |
Základná rýchlosť vetra[m/sek] |
Výška budovy <15 [m] |
Výška budovy 15 – 30 [m] |
Výška budovy 30 – 50 [m] |
N | R [ks/m²] |
N | R [ks/m²] |
N | R [ks/m²] |
||
≤ 0,32 |
≤ 22,5 |
2,2 | 5,0 |
2,9 | 6,4 |
3,5 | 7,8 |
≤ 0,39 |
≤ 25,0 |
2,7 | 6,0 |
3,5 | 7,9 |
4,3 | 9,5 |
≤ 0,47 |
≤ 27,5 |
3,3 | 7,3 |
4,2 | 9,5 |
5,2 | 11,5 |
≤ 0,56 |
≤ 30,0 |
3,9 | 8,7 |
5,1 | 11,3 |
6,1 | 13,7 |
Uvedené minimálne počty príponiek zohľadňujú súčiniteľ bezpečnosti 1,35 a sú pochopené ako teoreticky stanovené hodnoty. R = okrajová časť (súčiniteľ vonkajšieho tlaku cpe = –2,9), N = normálna časť (súčiniteľ vonkajšieho tlaku = –1,3).
Kategória územia II
Tlak pri základnej rýchlosti vetra [kN/m²] |
Základná rýchlosť vetra[m/sek] |
Výška budovy <15 [m] |
Výška budovy 15 – 30 [m] |
Výška budovy 30 – 50 [m] |
N | R [ks/m²] |
N | R [ks/m²] |
N | R [ks/m²] |
||
≤ 0,32 |
≤ 22,5 |
4,2 | 9,3 |
4,9 | 10,9 |
5,5 | 12,4 |
≤ 0,39 |
≤ 25,0 |
5,1 | 11,3 |
6,0 | 13,3 |
6,8 | 15,1 |
≤ 0,47 |
≤ 27,5 |
6,1 | 13,6 |
7,2 | 16,1 |
8,1 | 18,2 |
≤ 0,56 |
≤ 30,0 |
7,3 | 16,2 |
8,6 | 19,1 |
9,7 | 21,6 |
Kategória územia III
Tlak pri základnej rýchlosti vetra [kN/m²] |
Základná rýchlosť vetra[m/sek] |
Výška budovy <15 [m] |
Výška budovy 15 – 30 [m] |
Výška budovy 30 – 50 [m] |
N | R [ks/m²] |
N | R [ks/m²] |
N | R [ks/m²] |
||
≤ 0,32 |
≤ 22,5 |
3,5 | 7,9 |
4,3 | 9,6 |
5,0 | 11,2 |
≤ 0,39 |
≤ 25,0 |
4,3 | 9,6 |
5,3 | 11,7 |
6,1 | 13,6 |
≤ 0,47 |
≤ 27,5 |
5,2 | 11,6 |
6,3 | 14,1 |
7,4 | 16,4 |
≤ 0,56 |
≤ 30,0 |
6,2 | 13,8 |
7,6 | 16,9 |
8,8 | 19,5 |
Kategória územia IV
Tlak pri základnej rýchlosti vetra [kN/m²] |
Základná rýchlosť vetra[m/sek] |
Výška budovy <15 [m] |
Výška budovy 15 – 30 [m] |
Výška budovy 30 – 50 [m] |
N | R [ks/m²] |
N | R [ks/m²] |
N | R [ks/m²] |
||
≤ 0,32 |
≤ 22,5 |
2,5 | 5,6 |
3,3 | 7,3 |
4,0 | 8,9 |
≤ 0,39 |
≤ 25,0 |
3,1 | 6,8 |
4,0 | 8,9 |
4,8 | 10,8 |
≤ 0,47 |
≤ 27,5 |
3,7 | 8,2 |
4,8 | 10,7 |
5,8 | 13,0 |
≤ 0,56 |
≤ 30,0 |
4,4 | 9,8 |
5,7 | 12,8 |
6,9 | 15,5 |
Upozornenie
Nezávisle od vypočítaných hodnôt nesmie rozostup príponiek v oblasti pevných príponiek prekročiť 330 mm a v oblasti posuvných príponiek 500 mm. V oblasti inštalácií upevnených na drážky (protisnehová ochrana, fotovoltická podkonštrukcia, bezpečnostné strešné prvky) nesmie rozostup príponiek prekročiť 330 mm!
Výpočet rozostupu príponiek na základe šírky krytinových pásov a požadovaného počtu príponiek/m².
100 (šírka krytinových pásov [m] × počet príponiek [ks/m²]) = rozostup príponiek [cm] [max. rozostup príponiek 50 cm, max. rozostup pevných príponiek 33 cm]
Poznámka
e = b alebo 2*h (menšia hodnota je rozhodujúca) – rozostup sa vzťahuje na pôdorys
ed = rozstup na strešnej ploche; ed = (e/10) / (cos)
b = najväčšia šírka budovy
h = najväčšia výška budovy
a = sklon strechy
Príklad
Lokalita |
Innsbruck |
|---|---|
Budova v kategórii územia |
II |
Najväčšia výška budovy |
10,5 m |
Základná rýchlosť vetra |
27,1 m/sek |
Max. šírka krytinových pásov podľa tabuľky č. 1 |
43 cm |
Počet príponiek pre okrajovú časť podľa tabuľky č. 2 |
12,0 ks/m² |
Počet príponiek pre normálnu časť podľa tabuľky č. 2 |
5,4 ks/m² |
Okrajová časť (O) = 100 : (0,43 m × 12,0 ks/m²) = 19,4 cm → rozostup príponiek 19 cm [max. rozostup príponiek 50 cm, max. rozostup pevných príponiek 33 cm]
Normálna časť (N) = 100 : (0,43 m × 5,4 ks/m²) = 43,1 cm → rozostup príponiek 43 a 33 cm [max. rozostup príponiek 50 cm, max. rozostup pevných príponiek 33 cm]
Je možné stiahnuť iba obsah z jednej kategórie produktov. Ak potrebujete obsah z viacerých kategórií, vytvorte prosím pre každú oblasť produktov samostatné stiahnutie.