Rozmery a tolerancie podľa EN 612
Žľabový hák |
Dĺžka [mm] |
Rozdiel v porovnaní so štandardnou dĺžkou [mm] |
|
hák polkruhového žľabu 250 |
335 |
||
hák polkruhového žľabu 250 (krátky) |
287 |
- |
48 |
hák polkruhového žľabu 280 |
347 |
||
hák polkruhového žľabu 280 (krátky) |
297 |
- |
50 |
hák polkruhového žľabu 280 (dlhý) |
445 |
+ |
98 |
hák polkruhového žľabu 333 |
383 |
||
hák polkruhového žľabu 333 (krátky) |
312 |
- |
71 |
hák polkruhového žľabu 333 (dlhý) |
473 |
+ |
90 |
hák polkruhového žľabu 400 |
452 |
háky hranatých žľabov |
Dĺžka [mm] |
hák hranatého žľabu 250 |
325 |
hák hranatého žľabu 333 |
370 |
hák hranatého žľabu 400 |
435 |
hák hranatého žľabu 500 |
455 |
Rímsový hák polkruhového žľabu |
Dĺžka [mm] |
rímsový hák polkruhového žľabu 250 |
135 |
rímsový hák polkruhového žľabu 280 |
139 |
rímsový hák polkruhového žľabu 333 |
154 |
Rímsový hák hranatého žľabu |
Dĺžka [mm] |
Rímsový hák hranatého žľabu 250 |
130 |
rímsový hák hranatého žľabu 333 |
145 |
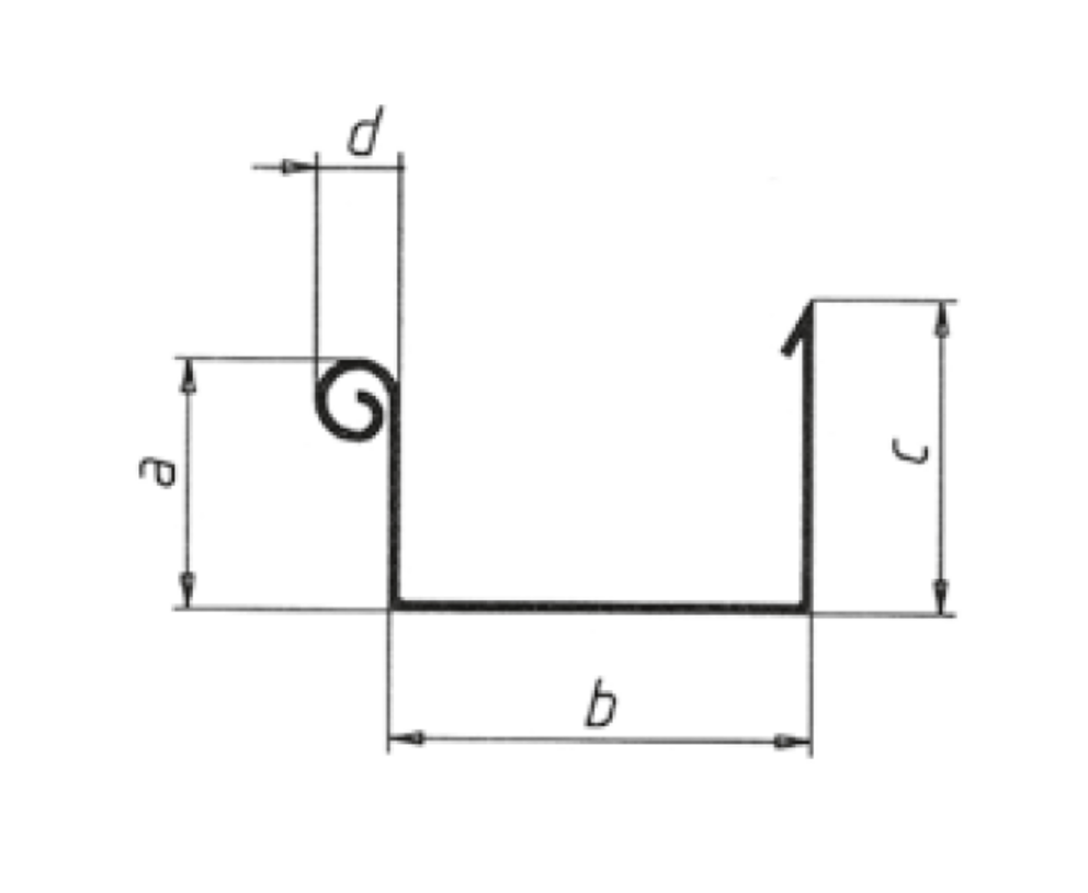
Rozmery strešného žľabu |
Predná strana a |
Zadná strana c |
Žľab e |
Návalok d |
250 |
61 |
72 |
110 |
19 |
280 |
67 |
78 |
126 |
19 |
333 |
87 |
98 |
153 |
19 |
400 |
110 |
121 |
192 |
19 |
Rozmery v mm
Rozmery strešného žľabu |
Predná strana a |
Zadná strana c |
Žľab e |
Návalok d |
250 |
54 |
63 |
86 |
19 |
333 |
75 |
93 |
120 |
19 |
400 |
92 |
113 |
150 |
19 |
500 |
114 |
142 |
200 |
19 |
Rozmery v mm
roh polkruhového žľabu 90° (vonkajší) |
Dĺžka [mm] |
roh polkruhového žľabu 250 |
300 |
roh polkruhového žľabu 280 |
300 |
roh polkruhového žľabu 333 |
300 |
roh polkruhového žľabu 400 |
340 |
Roh polkruhového žľabu 90° (vnútorný) |
Dĺžka [mm] |
roh polkruhového žľabu 250 |
300 |
roh polkruhového žľabu 280 |
300 |
roh polkruhového žľabu 333 |
300 |
roh polkruhového žľabu 400 |
340 |
Roh hranatého žľabu 90° (vonkajší) |
Dĺžka [mm] |
roh hranatého žľabu 250 |
300 |
roh hranatého žľabu 333 |
300 |
roh hranatého žľabu 400 |
300 |
roh hranatého žľabu 500 |
370 |
Roh hranatého žľabu 90° (vnútorný) |
Dĺžka [mm] |
roh hranatého žľabu 250 |
300 |
Roh hranatého žľabu 333 |
300 |
roh hranatého žľabu 400 |
300 |
roh hranatého žľabu 500 |
350 |
Je možné stiahnuť iba obsah z jednej kategórie produktov. Ak potrebujete obsah z viacerých kategórií, vytvorte prosím pre každú oblasť produktov samostatné stiahnutie.